首页/应用数据库/ 国家药品标准YBZ-PFKL-2021129香橼(香圆)配方颗粒
分享:
方法:
液相
基质:
香橼(香圆)配方颗粒
应用编号:
102598
化合物:
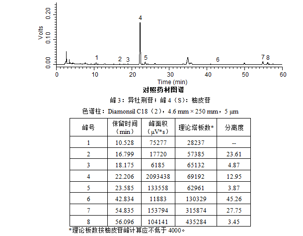
柚皮苷
色谱柱:
Diamonsil C18(2) 5μm 250 x 4.6mm
Diamonsil Plus C18 5μm 250 x 4.6mm
样品前处理:
请先登录您的账户,才能查看样品前处理过程。登录
色谱条件:
请先登录您的账户,才能查看色谱操作条件。登录
文章出处:
天津应用实验室
关键字:
香橼配方颗粒 柚皮苷
图谱:

1 特征图谱

2 含量测定

Copyright©1993-2026. Dikma Technologies Inc.,All Rights Reserved.   |  北京迪马欧泰科技发展中心 版权所有  |  危险化学品经营许可证  |  营业执照