




2025-07-11
富马酸、乳酸、冰乙酸、琥珀酸的分离
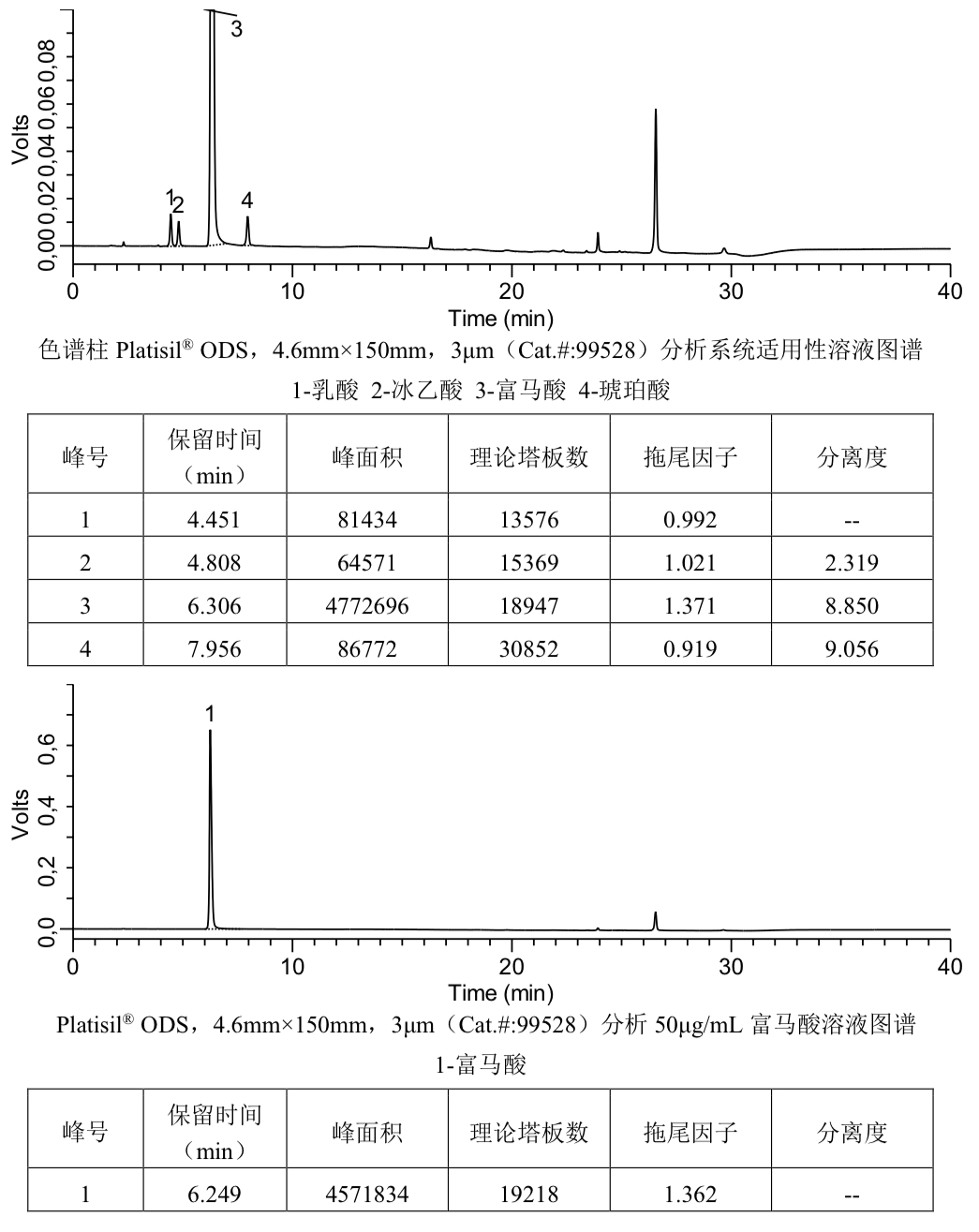
富马酸是一种重要的有机酸成分,乳酸、冰乙酸、琥珀酸这些成分可能会存在影响其含量与纯度,进而影响产品的安全性和有效性。依据美国药典USP富马酸鉴别项下液相色谱方法,使用色谱柱Platisil® ODS (Cat.#:99528)进行分析,实验结果表明:四种有机酸之间可实现基线分离,乳酸与冰乙酸的分离度约2.3,富马酸与琥珀酸的分离度可达约9.1,富马酸主峰拖尾因子约为1.4。该方法能够完全满足标准要求,为富马酸、乳酸、冰乙酸、琥珀酸的分离提供了有效的解决方案。
系统适用性溶液:含富马酸50μg/mL、各含乳酸、冰乙酸、琥珀酸200μg/mL的溶液,溶剂为乙腈-流动相A=2:98。
富马酸标准溶液:含富马酸50μg/mL的溶液,溶剂为乙腈-流动相A=2:98。
色谱柱:Platisil® ODS,4.6mm×150mm,3μm(Cat.#:99528)
流动相:A-10mM磷酸二氢钾溶液(用磷酸调节pH值至2.3),B-乙腈-流动相A(55:45)
流速:0.8mL/min
进样量:10μL
柱温:30℃
检测波长:210nm
仪器:岛津LC-2040C
梯度:
.jpg)
.jpg)
使用色谱柱Platisil® ODS,4.6mm×150mm,3μm(Cat.#:99528)可以实现富马酸、乳酸、冰乙酸、琥珀酸之间的基线分离,其中冰乙酸与乳酸的分离度约为2.3,琥珀酸与富马酸的分离度约为9.1,富马酸峰拖尾因子大约1.4,均符合USP中富马酸鉴别项下系统适用性的要求。
.jpg)
www.dikma.com.cn

精品推荐



